קבוצת אדריכלות ועיצוב פנים

פורום הבית של קבוצת עיצוב פנים של פרוג המאגד אנשי המקצוע מתחום האדריכלות, עיצוב הפנים, תכנון ובניה והום סטילינג.
מנהלות הקבוצה: רותי וינברג, חדוי פלבני, לינוי אלקין
להצטרפות לקהילת אדריכלות ועיצוב פנים, לחצו כאן ←

אדריכלות ועיצוב פנים >> תוכן מקצועי

תיקי עבודות של הדמיות אדריכליות >> העבודות האחרונות, תהנו!

וילה ניו-יורקית
חדר שינה Master | שילוב חומרים וטקסטורות
אז מה אומרים? אפשר לשלב מטבח בשרי, מטבח חלבי, וחדר כביסה והכל בחלל אחד לא גדול במיוחד?!
מטבח שיהיה גם יפה וגם אופה, גם חלבי וגם בשרי, גם נישה וגם חצי אי,?!
שיתוף מטבח חדש:
  • 539
  • משתפת במאמר חדש שעלה לאוויר
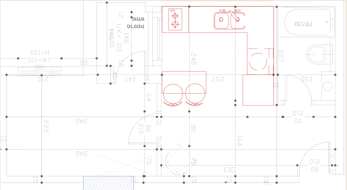
    בהמשך לשאלה כאן https://www.prog.co.il/threads/תכנון-מטבח-ליחידת-דיור.620276/

    קיבלתי תכנית מחברת מטבחים עבור הצעת מחיר
    (הרחבנו ושיפצנו את כל הבית עם תכנית של מעצבת מצויינת, כעת אני מנסה לעשות תכנית מטבח ליחידה בעצמי) :)

    איך נראית לכם התכנית? מה כדאי לשפר?
    כדאי לעשות ארונות עד למעלה לאחסון, אין הרבה מקום אחסון בחדר שינה
    לגבי תנור וכיריים, האם כדי בילד אין או תנור משולב עם כיריים?
    בצד ימין מתחת לשיש צריכה להיות מכונת כביסה (ליד המקרר)

    תודה

    1610456835949.png
    1610456938273.png
    1610456994252.png
    1610457053280.png
    1610457241036.png

    הצטרפות לניוזלטר

    איזה כיף שהצטרפתם לניוזלטר שלנו!

    מעכשיו, תהיו הראשונים לקבל את כל העדכונים, החדשות, ההפתעות בלעדיות, והתכנים הכי חמים שלנו בפרוג!

    לוח מודעות

    הפרק היומי

    הפרק היומי! כל ערב פרק תהילים חדש. הצטרפו אלינו לקריאת תהילים משותפת!


    תהילים פרק כה

    אלְדָוִד אֵלֶיךָ יי נַפְשִׁי אֶשָּׂא:באֱלֹהַי בְּךָ בָטַחְתִּי אַל אֵבוֹשָׁה אַל יַעַלְצוּ אֹיְבַי לִי:גגַּם כָּל קוֶֹיךָ לֹא יֵבֹשׁוּ יֵבֹשׁוּ הַבּוֹגְדִים רֵיקָם:דדְּרָכֶיךָ יי הוֹדִיעֵנִי אֹרְחוֹתֶיךָ לַמְּדֵנִי:ההַדְרִיכֵנִי בַאֲמִתֶּךָ וְלַמְּדֵנִי כִּי אַתָּה אֱלֹהֵי יִשְׁעִי אוֹתְךָ קִוִּיתִי כָּל הַיּוֹם:וזְכֹר רַחֲמֶיךָ יי וַחֲסָדֶיךָ כִּי מֵעוֹלָם הֵמָּה:זחַטֹּאות נְעוּרַי וּפְשָׁעַי אַל תִּזְכֹּר כְּחַסְדְּךָ זְכָר לִי אַתָּה לְמַעַן טוּבְךָ יי:חטוֹב וְיָשָׁר יי עַל כֵּן יוֹרֶה חַטָּאִים בַּדָּרֶךְ:טיַדְרֵךְ עֲנָוִים בַּמִּשְׁפָּט וִילַמֵּד עֲנָוִים דַּרְכּוֹ:יכָּל אָרְחוֹת יי חֶסֶד וֶאֱמֶת לְנֹצְרֵי בְרִיתוֹ וְעֵדֹתָיו:יאלְמַעַן שִׁמְךָ יי וְסָלַחְתָּ לַעֲוֹנִי כִּי רַב הוּא:יבמִי זֶה הָאִישׁ יְרֵא יי יוֹרֶנּוּ בְּדֶרֶךְ יִבְחָר:יגנַפְשׁוֹ בְּטוֹב תָּלִין וְזַרְעוֹ יִירַשׁ אָרֶץ:ידסוֹד יי לִירֵאָיו וּבְרִיתוֹ לְהוֹדִיעָם:טועֵינַי תָּמִיד אֶל יי כִּי הוּא יוֹצִיא מֵרֶשֶׁת רַגְלָי:טזפְּנֵה אֵלַי וְחָנֵּנִי כִּי יָחִיד וְעָנִי אָנִי:יזצָרוֹת לְבָבִי הִרְחִיבוּ מִמְּצוּקוֹתַי הוֹצִיאֵנִי:יחרְאֵה עָנְיִי וַעֲמָלִי וְשָׂא לְכָל חַטֹּאותָי:יטרְאֵה אוֹיְבַי כִּי רָבּוּ וְשִׂנְאַת חָמָס שְׂנֵאוּנִי:כשָׁמְרָה נַפְשִׁי וְהַצִּילֵנִי אַל אֵבוֹשׁ כִּי חָסִיתִי בָךְ:כאתֹּם וָיֹשֶׁר יִצְּרוּנִי כִּי קִוִּיתִיךָ:כבפְּדֵה אֱלֹהִים אֶת יִשְׂרָאֵל מִכֹּל צָרוֹתָיו:
    נקרא  2  פעמים
    למעלה